如何用阻抗法分析正弦交流电路
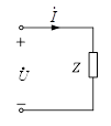
1、阻抗的定义:二端网络端口电压相量和端口电流相量的比值,定义为阻抗。用Z表示。国际单位是欧姆(Ω)。阻抗本身是一个复数,所以称之为复阻抗,简称为阻抗。


2、阻抗法分析正弦交流电路的步骤:(1)作出电路的相量模型。即原电路中电压、电流用其对应的相量表示,各元件用对应的阻抗表示。(注意:相量形式要统一,即电路中所有电压或电流要么都表示成有效值相量,要么都表示成最大值相量。(2)运用直流电路的分析计算方法来分析和计算。(3)求解待求量。以RLC串联电路为例进行说明。

3、作出RLC串联电路的相量模型

4、根据串联电路阻抗的计算公式,可得RLC串联电路总的阻抗为


5、根据阻抗的定义,可得RLC串联电路总的阻抗为

6、这样我们就可以知道,在求解交流电路阻抗时的两种思路,一是根据电路元件的阻抗来求,二是根据电路端口电压和电流,即根据阻抗的定义来求。


7、如图所示RLC串联的交流电路,已知R=60Ω,XL=120Ω,XC=40Ω,总电压有效值为100V,初相位为30度,求电路总阻抗Z、电流以及RLC元件的电压

